The XS-D Series LVDTs (Linear Variable Differential Transformers) redefine precision measurement by offering an exceptional stroke-to-length ratio, making them ideal for applications with limited installation space. These sensors stand out by providing substantially greater displacement ranges compared to standard LVDTs, without the increase in body length and weight typically associated with larger ranges. This is achieved through innovative coil winding techniques that allow for linear range measurements of up to 80% of the housing length.
Designed to be compact, shock, and vibration tolerant, the XS-D Series ensures infinite resolution and repeatability, making them an excellent solution for servo mechanisms, linear potentiometer replacements, and precision displacement measurements in space-restricted environments. Each unit comes with a calibration certificate for assured accuracy and is available with either an imperial or metric threaded core for versatile integration.
The XS-D Series is fully compatible with all Measurement Specialties LVDT signal conditioners, controllers, and readouts, ensuring seamless operation in a wide range of applications. The sensors' windings are vacuum-impregnated with a high-temperature, flexible resin, and the coil assembly is securely potted within the stainless steel housing using a two-component epoxy. This meticulous construction provides robust protection against harsh conditions, including high humidity, vibration, and shock, making the XS-D Series reliable for challenging environments.

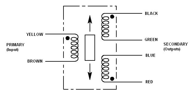
WIRING INFORMATION
