The PGP220 series are designed for high accuracy pressure measurements, from -1 up to 600bar and above on request. The sensing element is an advanced piezo-resistive pressure module which together with the latest temperature compensation techniques provides high performance measurements. It is available with low (millivolt) or high level (Vdc, mA) outputs. In the case of transducers, the built-in electronic ensures a correction of the pressure element while delivering an analogue output. Specified at 1kHz @-3dB (higher on request), signal‘s bandwidth is not affected by these corrections. Wetted parts being all stainless steel, the sensor is compatible with most media used in Industry, even corrosive ones. High accuracy pressure measurements on test benches, is one of the main application for the PGP220 series.
PGP220
High Performance Pressure Sensor
EFE Sensors
- High Performance, Precise and Thermally stable
- High accuracy : up to 0,05% FS
- Available with various Built in Electronics
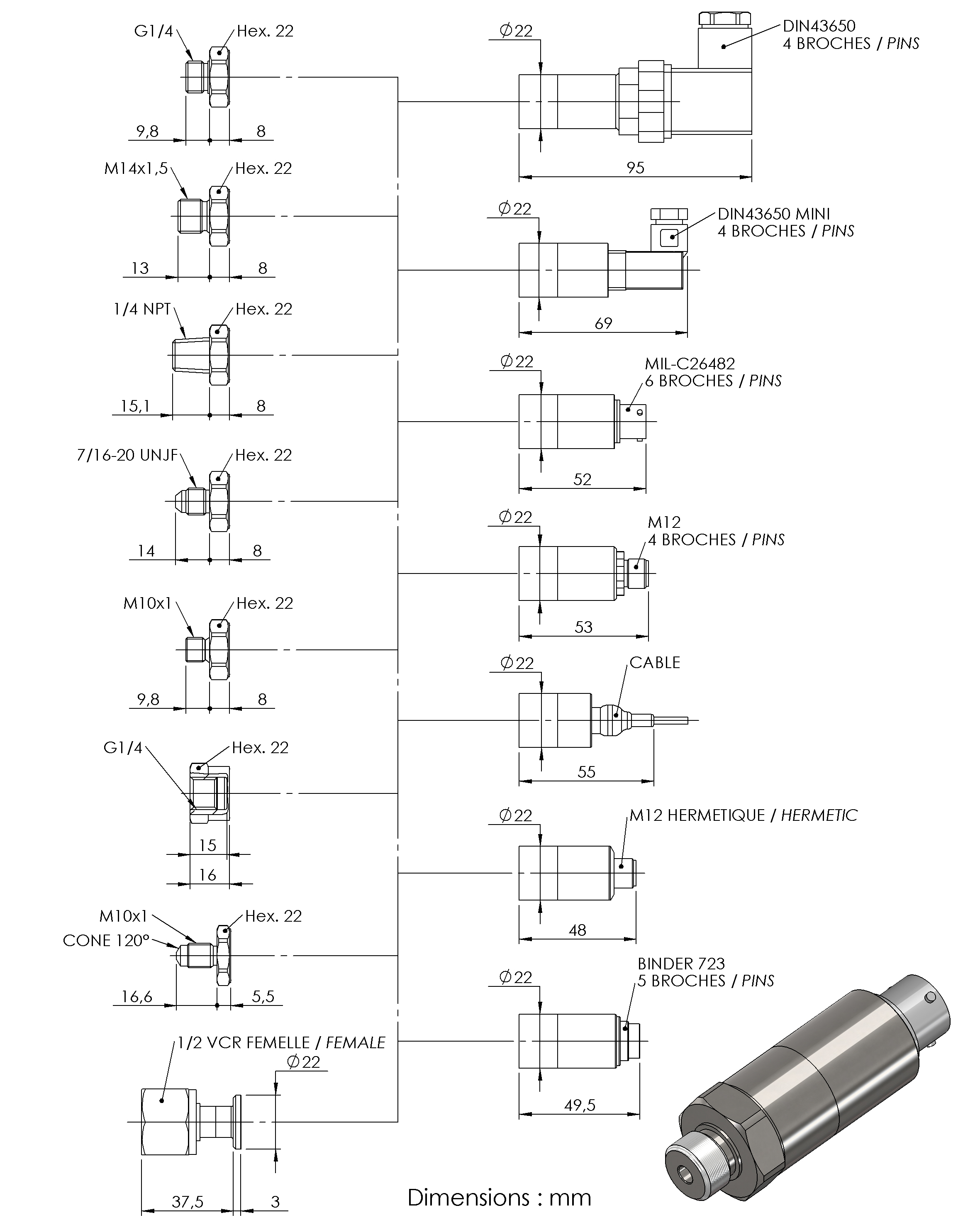
- Large choice of electrical connectors & inlet threads
Details
Specifications
Type
Industrial
Operational Mode
Absolute
Sealed Gauge
Vented Gauge
Sealed Gauge
Vented Gauge
Full Scale
11 - 16 psi
15 psi
25 psi
40 psi
50 psi
75 psi
100 psi
250 psi
500 psi
750 psi
1000 psi
3000 psi
5000 psi
15 psi
25 psi
40 psi
50 psi
75 psi
100 psi
250 psi
500 psi
750 psi
1000 psi
3000 psi
5000 psi
Output
1.5 mV/V
4.5 V DC
5 V DC
4.5 V DC
5 V DC
Precision
±0.05 % FS
±0.10 % FS
±0.10 % FS
Excitation
5 V DC
8 - 32 V DC
15 V DC
8 - 32 V DC
15 V DC
Material
Stainless Steel
Thread
1/4-18 NPT
7/16-20 UNJF-3A
G 1/4 Male
M10 x 1
M14 Male
7/16-20 UNJF-3A
G 1/4 Male
M10 x 1
M14 Male
Models
PGP221
Power supply: 5 to 15Vdc; Output Signal: mV/V
PGP224
Power supply: 8 to 30Vdc; Output Signal: 0-5Vdc
PGP226
Power supply: 15 to 30Vdc; Output Signal: 0-10Vdc
PGP227
Power supply: 8 to 30Vdc; Output Signal: 0.5-4.5Vdc unregulated power supply