Contact
About
Register
Login
1-888-754-7008
[email protected]
Products
Sensors/Transducers
Pressure
Load & Force
Torque
Linear Displacement
Rotary Displacement
Level
Speed
Accelerometers & Vibration
Fiber Optic
Cables & Connectors
Strain Gauges
Pressure Scanner
Miniature Scanners
Intelligent Scanners
Interfaces
Wet Pressure & Temp Scanners
Accessories Connectors
Conditioner/Transmitter
In-Line
DIN Rail
Modular
Desktop & Rack
Wireless
Digital Indicators
Data Acquisition
Modular
PC Boards
Video Recording
Software
Chassis Based
USB
Electrical
Simulators
Calibrators
Ohmmeters
Decade Boxes
Resistors
Transducers
Battery Testing
Process
Weighing
Press Force
Leak and Flow Testers
Functional Testing
Indicators
Panel Mount
Portable
Desktop
Assembly
Nutrunner
Servo Press
Robotics
Manual / Arbor Presses
Pneumatic Press
Industrial Robots
AMR
Machine Vision
Smart Cameras
Code Readers
Area Scan Camera
Light Source
Line Scan Camera
Infrared Camera
Lens
Light Controller
Frame Grabber
Biomechanics
Force Plates
EMG Inertial & Integrated Systems
Multi-Axis Force
Motion Tracking
Equipment
Pressure Mapping Systems
Solutions
Smart Cameras & Machine Vision
Smart Barcode Readers
Integrated Assembly Servo Press
Integrated Nutrunner
Press Force Monitoring
Hand Press with Monitoring
Pneumatic Press with Force Monitoring
Turn-key Servo Press Stations
Leak & Flow Testing
Data Acquisition, Control & Analysis
Functional Testing
Weighing & Logistics
Speed Monitoring
Noise & Vibration
Telemetry - Wireless
3D Weld Inspection System
AMR - Autonomous Mobile Robots
Manufacturing Execution System (MES)
Applications
Automotive & Vehicle
Aerospace & Defense
Power Generation
Materials & Structures
Rail & Heavy Machinery
Biomechanics
Services
Partners
Search
Contact
About
Register
Login
Home
>
Products
>
Machine Vision
>
Area Scan Camera
> MV-CH050-10U
MV-CH050-10U
5 MP Area Scan Camera
HIKROBOT
Compact design with mounting holes on panels for flexible mounting from 4 sides.
Supports LSC, Sequencer, Super Palette, customized ROI, horizontal and vertical reverse image output.
Compatible with USB3 Vision Protocol, GenlCam Standard, and the third-party software based on these protocol and standard.
Details
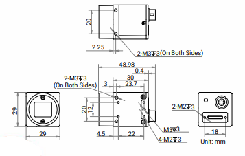
Dimension
Specifications
Type
CH Series
Resolution
5 MP
Frame Rate
74.1 fps
Data interface
USB3.0
USB2.0
Lens mount
C-Mount
Ingress Protection
IP40
Min Working Temperature
-10 °C
Max Working Temperature
50 °C
Client software
MVS
Third-party software
Power supply
9 VDC - 24 VDC
USB3.0
Certification
CE
KC
FCC
RoHS
Models
MV-CH050-10UC
Color
MV-CH050-10UM
Mono
Downloads
MV-CH050-10UM/UC Datasheet
Datasheet