ESP Pressure Scanners are miniature electronic differential pressure measurement units consisting of an array of silicon piezoresistive pressure sensors, one for each pressure port. The sensors are mounted on a common hybrid glass substrate using a proprietary technique that maximizes long-term stability. The outputs of the sensors are electronically multiplexed through a single onboard instrumentation amplifier at rates up to 70,000 Hz using binary addressing. The multiplexed amplified analog output is capable of driving long lengths of cable to a remote A/D converter.
The ESP scanners also incorporate a two-position calibration manifold actuated by momentary pulses of control pressures. When placed in the calibration position, all sensors are connected to a common calibration pressure port. A series of accurately measured pressures can be applied through this port to characterize the sensors in place, at the conditions to which they are being subjected. Proper and periodic on-line calibration maintains static errors within +/-0.03% or better of the full scale (FS) pressure range. The calibration manifold automatically switches between two common reference pressures to ensure a stable reference is applied during calibration. The calibration manifold incorporates a visual position indicator and utilizes a dynamic O-Ring seal design for high reliability and easy servicing in the field.
Options include purge capability, isolated from the pressure sensors, to clear measurement lines of moisture and contamination, as well as to prevent closure of model pressure taps during application of pressure-sensitive paint. Other options include a nickel foil RTD output to monitor internal scanner temperature and Digital Temperature Compensation technology, now incorporating PSI’s Gen-2 amplifier technology.
purge Option
.jpeg?1747239551074)
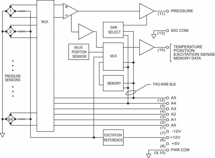
The Digital Temperature Compensation (DTC) option incorporates the latest PSI innovations in ESP technology including temperature signal outputs from each silicon pressure sensor, embedded EEPROM retaining factory calibration information including temperature characteristics, programmable dual gain amplifier with optional dual range calibration, calibration manifold position sensing, and internal sensor excitation regulation with sense output. DTC Series ESP scanners are supported by PSI’s DTC Initium System and the SDI configuration of the System 8400 to dramatically reduce calibration requirements. The ESP scanners are also supported by a variety of third party compatible systems.