DVS-D

Digital Load Cell

Scaime

  • Hermetically sealed with IP68, IP69K for washdown
  • Easy to clean, aseptic design for food handling
  • Integrated without additional protection to meet the most stringent Food
  • & Beverage hygiene requirements
  • Controller programmed suited for Dosing by Filling or by Unloading
  • Max. resolution 500 000 pts
  • Transmission rate up to 1200 meas./s.

Details

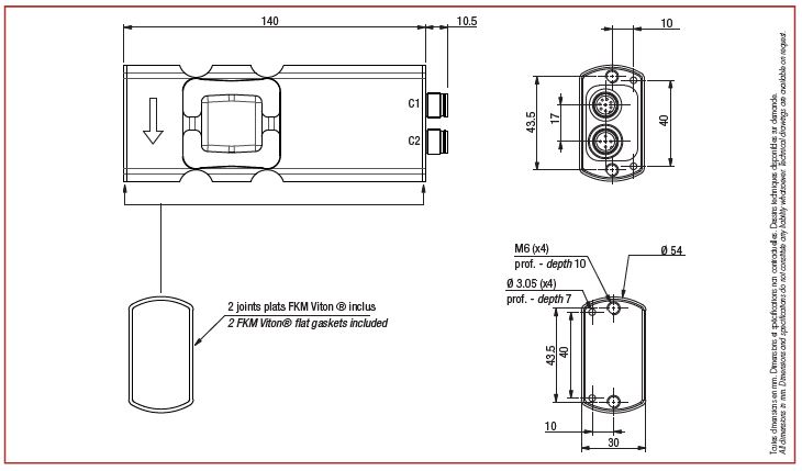
The series DVS-D digital load cell covers weighing range of 15Kg to 75Kg. They are aseptic designed for food handling and are hermetically sealed stainless-steel housing with IP68 ratings.

 

Specifications

Type
Weigh Cell
Full Scale
15000 g
30000 g
75000 g
Interface
RS485
Modbus-RTU
SCMbus
CANopen
IP Rating
IP68
IP69K

Models

DVS-C
Digital Load Cell
DVS-D
Digital Load Cell

Accessories

RS-485 to USB Convertor
Allows connection of the Digital Load Cell to eNod-View software

Related