8524

Burster Load Cell, Miniature Pancake

Burster Praezisionsmesstechnik Gmbh

  • Tension & Compression
  • Accuracy: < ±0.25% F.S.
  • Accuracy: Range ≤ 5 N: ±0.1% F.S. (Option)
  • Outer Diameter: 54.5mm - 155.0mm
  • Height: 16.0mm - 50.0mm
  • Overload Protection up to 20 kN (Option)
  • Connection: 2m Integral Cable

Details

The bending plate inside this Burster load cell is equipped with strain gauges which, on the exertion of a force, supply a bridge- output voltage directly proportional to the measurement variable. The center axis of the tension/compression load cells incorporates a continuous thread through which the measurement force is applied free from lateral or torsion force either using a load application button or an application-specific adapter part. Starting at a measurement range of 0 to 5 kN, the measurement accuracy is ideal if the load cell has been mounted on a level, hard and polished base. This condition is not necessary for small measurement ranges of 0 to 2 kN due to 3 special knife-edge bearings (see dimensional drawing 1).

Structural measures should be taken to avoid exposing the load cell to lateral forces (for instance, mounting on movable bearings, levers held by roller bearings). Attachment via the clearance bore holes integrated in the external ring allows simple handling of the sensor.

A stop serves as overload protection against damages caused by impermissible high compression forces (option up to measurement range 0 to 20 kN). Lateral forces of up to 5% nominal strength only have little influence.

More CAD drawings are available upon request.


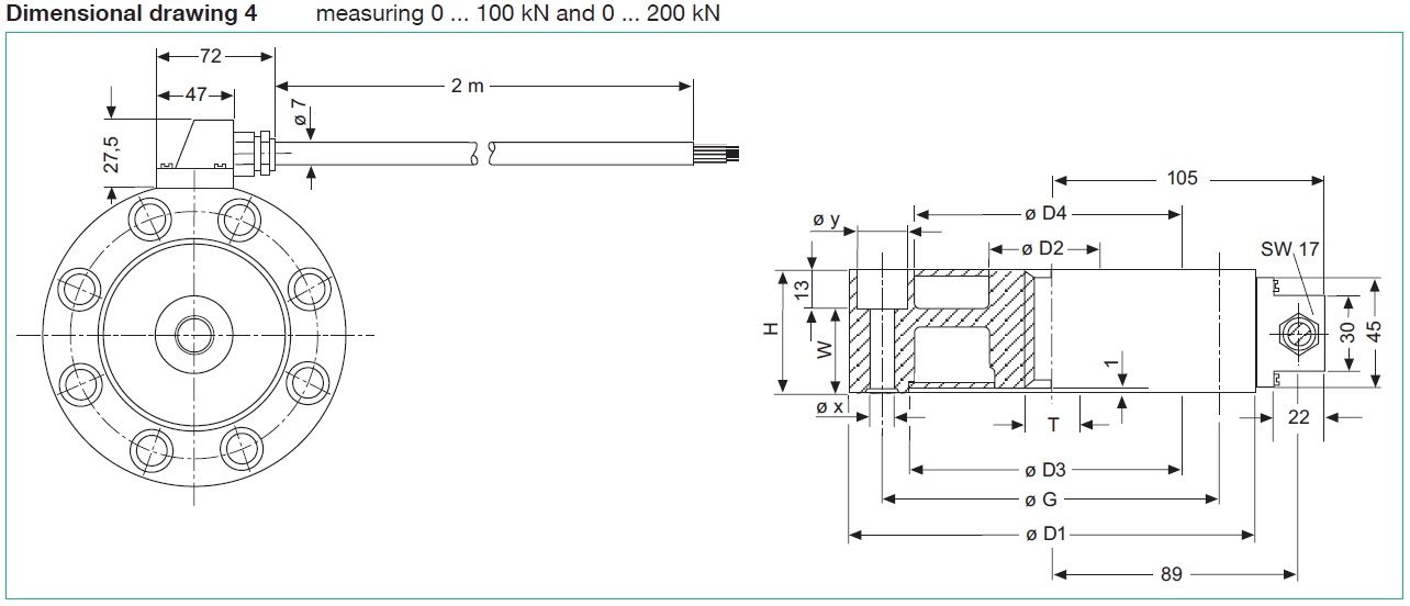
Drawings 3 & 4

 


 

Specifications

Type
Pancake
Application
Tension & Compression
Full Scale
112 lbs
220 lbs
450 lbs
1120 lbs
2200 lbs
4500 lbs
11200 lbs
22000 lbs
45000 lbs
Output
1.5 mV/V
Precision
±0.1 % FS
±0.25 % FS

Models

8524-5500
500N (112 lbs); 54.5mm O.D.; 17mm H; M8 x 1.25 Thd
8524-6001
1000N (225 lbs); 54.5mm O.D.; 17mm H; M8 x 1.25 Thd
8524-6002
2000N (450 lbs); 54.5mm O.D.; 17mm H; M8 x 1.25 Thd
8524-6005
5000N (1100 lbs); 54.5mm O.D.; 16mm H; M8 x 1.25 Thd
8524-6010
10000N (2250 lbs); 54.5mm O.D.; 16mm H; M8 x 1.25 Thd
8524-6020
20000N (4500 lbs); 79mm O.D.; 25mm H; M12 x 1.5 Thd
8524-6050
50000N (11200 lbs); 119mm O.D.; 35mm H; M24 x 1.5 Thd
8524-6100
100000N (22500 lbs); 155mm O.D.; 50mm H; M36 x 3 Thd
8524-6200
200000N (45000 lbs); 155mm O.D.; 50mm H; M36 x 3 Thd

Related