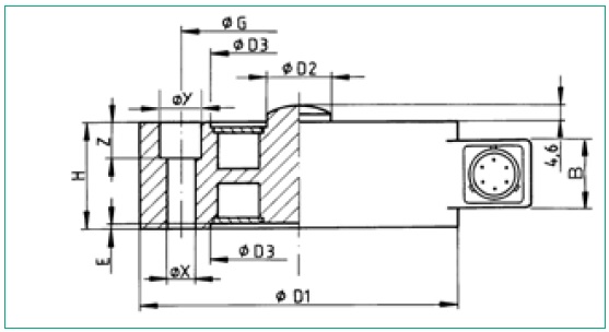
Between the central piece to which the force is applied (force introduction) and the outer ring (with fastening holes) there is a force-sensitive element to which strain gauges are applied.
These Burster load sensors are sealed by membranes welded to the top and bottom. These membranes prevent the central part from being moved sideways when lateral forces or torques act on the device.
As a result of the two stabilizing membranes with which these load cells have been designed, they only have very low sensitivity to forces that do not act centrally on the sensor. The effect of these undesirable external forces cannot be expressed in blanket figures; it depends on the sensor‘s range of measurement and also on the side from which the forces act. As a rule of thumb, it can be said that the contribution of the effect of external forces to the measuring signal, provided it is kept within the range of forces listed in the table below, is between 0.25 % and 1 % of the measuring range.
The table lists how large the external forces may be, expressed as a percentage of the load cell measuring range. The total of all the stresses acting on the load cell (forces and torques) should not exceed 100% of the measuring range. The forces quoted for the torques as-sume a distance of 2.5 cm from the point of action of the force.


