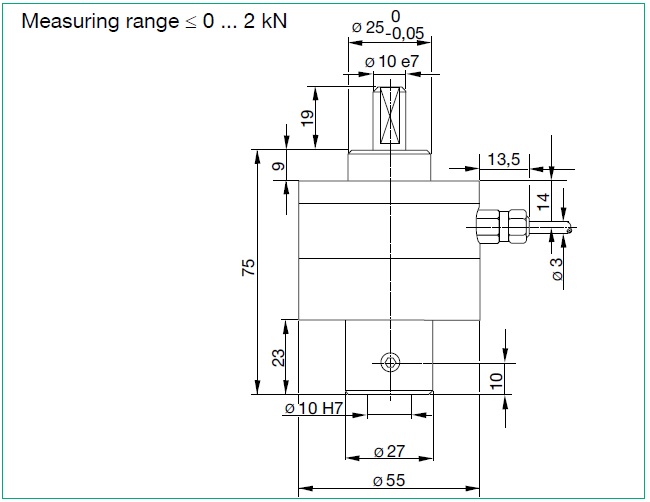
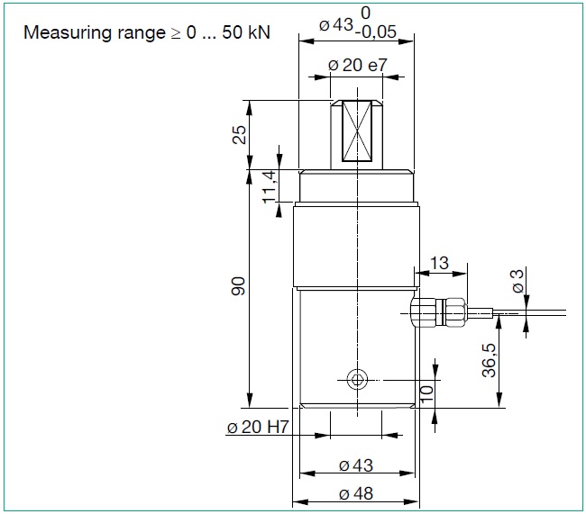
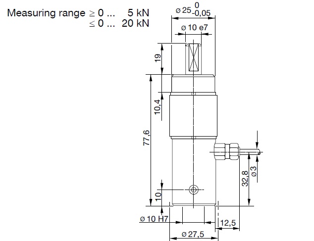
This Burster load cell measures the compression forces between the circular contact surfaces of plunger and tool. The pin on its top side and hole on its lower face are simply provided for mechanical fixing and centering the components correctly. To provide as large a range of mechanical compatibility as possible, the pins/holes are available in different diameters. The connecting cables are designed like robot cables to allow frequent movement and are fixed securely to the sensor housing. Attachments are available which clamp onto the press sensors to enable easy mounting of displacement sensors according to the circumstances of use.
Simple mounting on press stamps, compact and very robust construction, hermetically sealed model, suitable for all standard manual presses with stamp borings of 10H7 resp. 20H7, adaptation to right and left handed users possible.



