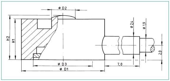
The Burster ultra-miniature compression load cell model 8416 is a flat, circular disc, the bottom of which is sealed with a cover. The load application button for receiving the compression forces is an integrated part of the sensor.
The sensor element inside the body carries a strain gauge full bridge which outputs voltage directly proportional to the measurement variable upon application of force.
The short nominal measurement distance of the ultra-miniature compression load cells due to their design provides a high degree of rigidity. If needed, the nominal characteristic value can be standardized in the sensor connection cable.
This allows for quick and easy interchange or simultaneous connection of several sensors to a single evaluation unit.
