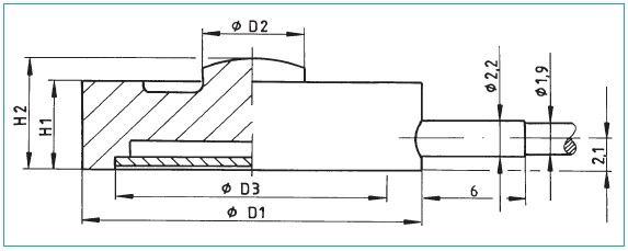
The Burster miniature compression load cell model 8415 is a flat cylindri
cal disc, the bottom of which is closed with a cover. The load application button for receiving the compression forces is an integrated part of the sensor.
A strain gauge full bridge is applied in the gauging member of the measuring element. This produces bridge output voltage directly proportional to the measured force. The small diameter of the sensors results in high rigidity and a short measurement range. The measuring force has to be applied centrically and free from lateral forces. The sensor has to be mounted on a smooth and even surface.
