This model of load cell uses proven strain gauge technology to perform measurements. Strain gauges are applied to the sensitive element and connected to form a full bridge. The electrical resistance of this full bridge increases with the load acting on it, so that the bridge supplies an output voltage proportional to the measurement variable.
This model allows the force application of two kinds: compression via the load application button and tension via the centric internal thread. The measurement range of 0 ... 5000 N is supplied exclusively with the integrated load application button. The sensor has to be mounted on a level surface using screws fitted through the three bore holes in the outer ring.
To achieve the highest possible measurement accuracy, the sensor should not be subject to lateral forces. A strain-relief and an anti-bend mechanism for the connection cable are integrated in the sensor housing.
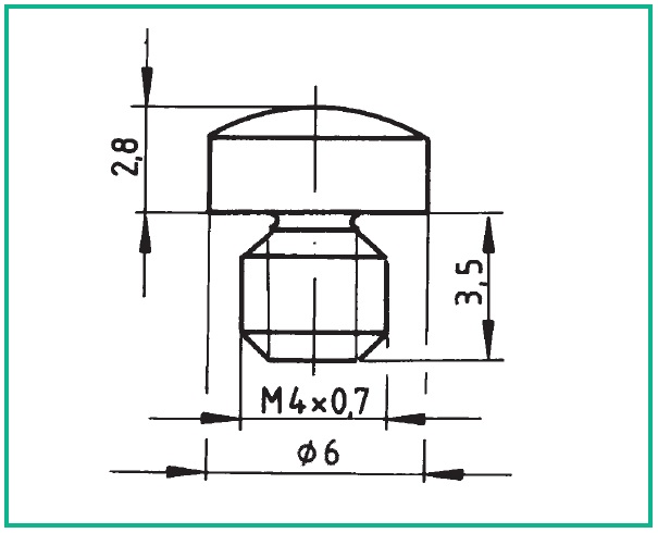
Load introduction button, Model 8580-V004
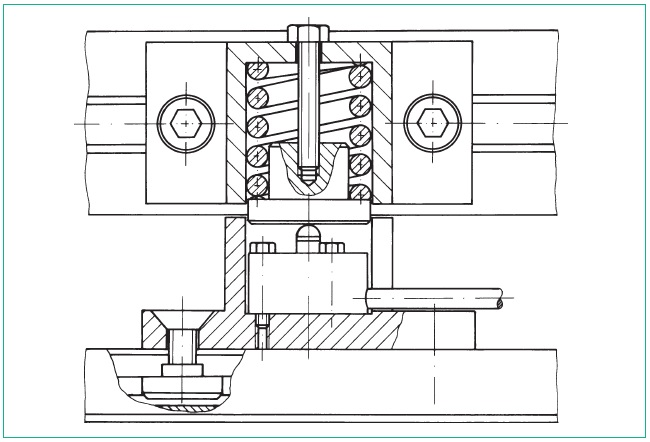
Installation Example

